본문 바로가기 주메뉴 바로가기

NEWS ENGINEERING

제품안내

TOYO 핀치롤

TOYO 핀치롤

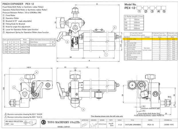
PEX-12

핀치익스펜더롤 - 주름제거 ( 분리막, 필름 )
Model : PEX-12

제품 특징

- 웹이 주행 중일 때, 발생하는 주름 제거

- 웹의 양쪽 끝을 롤러로 잡아 이동방향으로 5도 이상 각도 세팅

- 제품을 바깥쪽으로 확장 가능








* 핀치 익스펜더 ( 표준형 ) 참고 도면





* 핀치 익스펜더 에어실린더 (  손이 닿지 않는 곳 ) 참고 도면